Hersteller seit 1958
Ruedas Alex

SERIE TV-AUB 2-4519

Siehe Vergleich
Code: 2-4519

Räder mit Aluminiumkern und Reifen aus Polyurethan mit einer Härte von 95º shore A. Geeignet für Ladungen bis zu 800 kg.

Anwendung: Werkzeugkarren, rohrförmige Karren, interne Logistik, Transportutensilien, Hebebühnen, Lebensmittelfabriken, Werkstätten, Logistik von Missionsmaterial, Transport von Utensilien, Verpackungsmaschinen, Förderbänder, Leichtmaschinerie, mobile Kräne, Gabelstapler, Tischlereien, Metallschreinereien, Fleischfabriken, Container, Sporthallen.

Besonders geeignet für die Luftfahrt-, Eisenbahn-, Automobil- und Lebensmittelbranche.

Sie werden in mechanischen Ingenieurprojekten von technischen Zeichnern und Projektingenieuren eingesetzt.

AUB: Polyurethan mit sehr hoher Ladekapazität. Gute Stossdämpfung. 

Bestandteile

Gehäuse

Sehr robuste Stahlschweißkonstruktion grepresst bis 5 mm. Bichromatisierte Ausführung mit großer Rostbeständigkeit und extrem lange Lebensdauer. Drehkranz mit Lager mit doppelter Stahlkugelreihe in gehärteten Lagerführungen. Drehkranzabdichtung, staubgeschützt. Hergestellt gemäß Europanorm EN 12532.

Rad

Radkörper aus Aluminium-Druckguss und Laufbelag aus Polyurethan.95º Shore A
Temperaturbereich: -20º ÷ +60º
Rollwiderstand Sehr Gut
Lärm während des Marsches Gut
Bodenschonend Sehr Gut

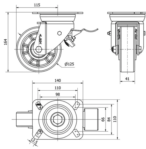
Technische Daten 2-4519

EAN:
8422202245195
Ausführung:
Lenkrollen
Befestigungsarten:
Platte
Bremsentyp:
Totalfeststeller
Härte der lauffläche:
95º SHORE A
Lagerarten:
Kugellager
Farbe:
Orange
Durchmesser (mm):
125
Radbreite (mm):
40
Plattenabmessungen (mm):
139x110
Schraublochentfernung (mm):
105x80
Schraublochdurchmesser (mm):
10
Störkreisradius (mm):
115
Gesamthöhe (mm):
164
Tragfähigkeit:
400
Volumen (cm3):
4,095
Technische Daten 2-4519

Privater Bereich

Regístrate
Download in Format 3D
Download in Format 2D
DWG
PDF downloaden
PDF
Preis
--

Ähnliche Produkte

Kontakt

Kontaktieren Sie uns

Schicken Sie uns das folgende Formular und wir werden Sie kontaktieren, um Ihre Frage zu beantworten.

Kontaktinformationen:
E-Mail: info@alex.es
Telefon: (+34) 974 035 345
Öffnungszeiten:
Montag bis Freitag: 8-14h / 15-18h
Samstag und Sonntag: Geschlossen
Responsable: Ruedas Alex, S.L.U, siendo la Finalidad: gestionar el contacto entre cualquier interesado y nuestros servicios de atención. La Legitimación: es gracias a tu consentimiento. Destinatarios: no se comunicarán los datos personales a ningún tercero. Podrás efercer Tus Derechos de Acceso, Rectificación, Supresión, Limitación, Oposición y Portabilidad en rgpd@alex.es. Para más información consulte la Política de Privacidad.

Informieren Sie sich über alle Neuheiten, Angebote und Promotionen die wir für Sie vorbereitet haben.