Hersteller seit 1958
Ruedas Alex

SERIE TV-DE 2-1998

Siehe Vergleich
Code: 2-1998

Räder mit Stahlkern und Reifen aus elastischem schwarzem Gummi mit einer Härte von 70º shore A. Geeignet für Ladungen bis zu 450 kg.

Anwendung: Werkzeuge des logistischen Transports, Werkstätten, Werkzeugkarren, interne Logistik, rohrförmige Karren, mobile Sitzreihen, Transportutensilien, Hebebühnen, Lebensmittelfabriken, Logistik von Missionsmaterial, Schwermaschinerie der Bauindustrie, Gabelstapler, Geflügelfarmen, Container, roll-tainers, Transportkäfige.

Sie werden in mechanischen Ingenieurprojekten von technischen Zeichnern und Projektingenieuren eingesetzt.

DE: ideal für mittelschwere Ladungen. Geräuschlos. Gute Absorbierung von Stössen und Schwingungen. Schützt die Böden und Ausrüstung. Ideal für unebene Böden.

Bestandteile

Gehäuse

Sehr robuste Stahlschweißkonstruktion grepresst bis 5 mm. Bichromatisierte Ausführung mit großer Rostbeständigkeit und extrem lange Lebensdauer. Drehkranz mit Lager mit doppelter Stahlkugelreihe in gehärteten Lagerführungen. Drehkranzabdichtung, staubgeschützt. Hergestellt gemäß Europanorm EN 12532.

Rad

Aluminium-Radkörper und Elastik Vollgummireifen, 70º Shore A
Temperaturbereich: -20º ÷ +70º
Rollwiderstand Angemessen
Lärm während des Marsches Hervorragender
Bodenschonend Hervorragender

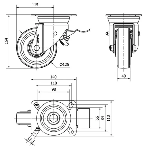
Technische Daten 2-1998

EAN:
8422202219981
Ausführung:
Lenkrollen
Befestigungsarten:
Platte
Bremsentyp:
Totalfeststeller
Laufbelag:
Gummi
Niedrige Temperaturen (ºC):
-20
Maximaltemperaturen (ºC):
70
Lagerarten:
Kugellager
Durchmesser (mm):
125
Radbreite (mm):
40
Plattenabmessungen (mm):
139x110
Schraublochentfernung (mm):
105x80
Schraublochdurchmesser (mm):
10
Störkreisradius (mm):
115
Gesamthöhe (mm):
164
Tragfähigkeit:
250
Einheit Gewicht des Rades (kg):
2,82
Volumen (cm3):
4095
Technische Daten 2-1998

Privater Bereich

Regístrate
Download in Format 3D
Download in Format 2D
DWG
PDF downloaden
PDF
Preis
--

Ähnliche Produkte

Kontakt

Kontaktieren Sie uns

Schicken Sie uns das folgende Formular und wir werden Sie kontaktieren, um Ihre Frage zu beantworten.

Kontaktinformationen:
E-Mail: info@alex.es
Telefon: (+34) 974 035 345
Öffnungszeiten:
Montag bis Freitag: 8-14h / 15-18h
Samstag und Sonntag: Geschlossen
Responsable: Ruedas Alex, S.L.U, siendo la Finalidad: gestionar el contacto entre cualquier interesado y nuestros servicios de atención. La Legitimación: es gracias a tu consentimiento. Destinatarios: no se comunicarán los datos personales a ningún tercero. Podrás efercer Tus Derechos de Acceso, Rectificación, Supresión, Limitación, Oposición y Portabilidad en rgpd@alex.es. Para más información consulte la Política de Privacidad.

Informieren Sie sich über alle Neuheiten, Angebote und Promotionen die wir für Sie vorbereitet haben.