Hersteller seit 1958
Ruedas Alex

SERIE TV-HU 2-1788

Siehe Vergleich
Code: 2-1788

Räder mit Stahlkern und Reifen aus geschmolzenem Polyurethan mit einer Härte von 95º shore A. Geeignet für Ladungen bis zu 800 kg.

Anwendung: Werkzeuge des logistischen Transports, Aussenbereiche, Karrosseriebauer, interne Logistik, mobile Sitzreihen, Hebebühnen, Container, Logistik von Missionsmaterial, mobile Kräne, Gabelstapler, Karren. Utensilien, Industriebranche. Eingesetzt in mechanischen Ingenieurprojekten von technischen Zeichnern und Projektingenieuren.

HU: Grosse Ladekapazität und gute Stossdämpfung. Sehr geeignet für unebene, gebrochene Böden, mit Metallspäne, Ölflecken, Glassplitter, Fette, Kies.

Bestandteile

Gehäuse

Sehr robuste Stahlschweißkonstruktion grepresst bis 5 mm. Bichromatisierte Ausführung mit großer Rostbeständigkeit und extrem lange Lebensdauer. Drehkranz mit Lager mit doppelter Stahlkugelreihe in gehärteten Lagerführungen. Drehkranzabdichtung, staubgeschützt. Hergestellt gemäß Europanorm EN 12532.

Rad

Rollwiderstand Sehr Gut
Lärm während des Marsches Gut
Bodenschonend Sehr Gut

Technische Daten 2-1788

EAN:
8422202217888
Ausführung:
Lenkrollen
Befestigungsarten:
Platte
Bremsentyp:
Ohne Bremse
Laufbelag:
Polyurethan
Härte der lauffläche:
95º SHORE A
Lagerarten:
Kugellager
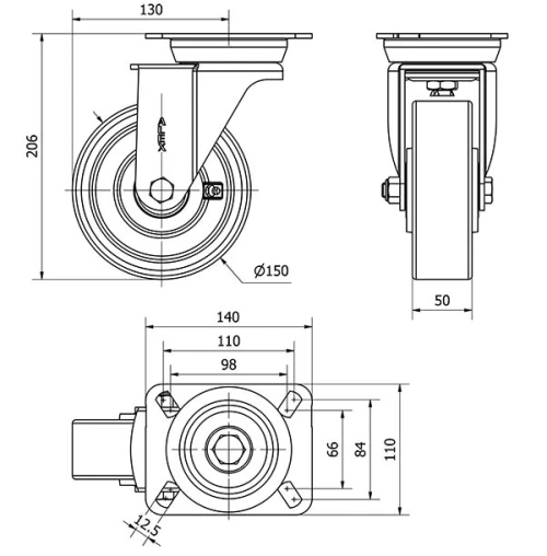
Durchmesser (mm):
150
Radbreite (mm):
50
Plattenabmessungen (mm):
139x110
Schraublochentfernung (mm):
105x80
Schraublochdurchmesser (mm):
10
Störkreisradius (mm):
130
Gesamthöhe (mm):
206
Tragfähigkeit:
750
Einheit Gewicht des Rades (kg):
4,78
Volumen (cm3):
4188
Technische Daten 2-1788

Privater Bereich

Regístrate
Download in Format 3D
Download in Format 2D
DWG
PDF downloaden
PDF
Preis
--

Ähnliche Produkte

Kontakt

Kontaktieren Sie uns

Schicken Sie uns das folgende Formular und wir werden Sie kontaktieren, um Ihre Frage zu beantworten.

Kontaktinformationen:
E-Mail: info@alex.es
Telefon: (+34) 974 035 345
Öffnungszeiten:
Montag bis Freitag: 8-14h / 15-18h
Samstag und Sonntag: Geschlossen
Responsable: Ruedas Alex, S.L.U, siendo la Finalidad: gestionar el contacto entre cualquier interesado y nuestros servicios de atención. La Legitimación: es gracias a tu consentimiento. Destinatarios: no se comunicarán los datos personales a ningún tercero. Podrás efercer Tus Derechos de Acceso, Rectificación, Supresión, Limitación, Oposición y Portabilidad en rgpd@alex.es. Para más información consulte la Política de Privacidad.

Informieren Sie sich über alle Neuheiten, Angebote und Promotionen die wir für Sie vorbereitet haben.