Hersteller seit 1958
Ruedas Alex

SERIE TV-TD 2-1624

Siehe Vergleich
Code: 2-1624

Räder aus extra starkem Harz, besonders geeignet für hohe Temperaturen bis zu 200º und Ladungen bis zu 700 kg.

Anwendung: Öfen, Leichtmaschinerie. Besonders geeignet für die Industrie-, Luftfahrt-, Automobil- und Lebensmittelbranche.

Sie werden von technischen Zeichnern und Projektingenieuren in mechanischen Ingenieurprojekten eingesetzt.

TD: Rad aus extra starkem Harz. Geeignet für die Industriebranche.

Bestandteile

Gehäuse

Sehr robuste Stahlschweißkonstruktion grepresst bis 5 mm. Bichromatisierte Ausführung mit großer Rostbeständigkeit und extrem lange Lebensdauer. Drehkranz mit Lager mit doppelter Stahlkugelreihe in gehärteten Lagerführungen. Drehkranzabdichtung, staubgeschützt. Hergestellt gemäß Europanorm EN 12532.

Rad

Phenolharz-Rad, hitzebeständig bis 200ºC bei kurzzeitigem Betrieb
Temperaturbereich: -40º ÷ +200º
Rollwiderstand Sehr Gut
Lärm während des Marsches Angemessen
Bodenschonend Angemessen

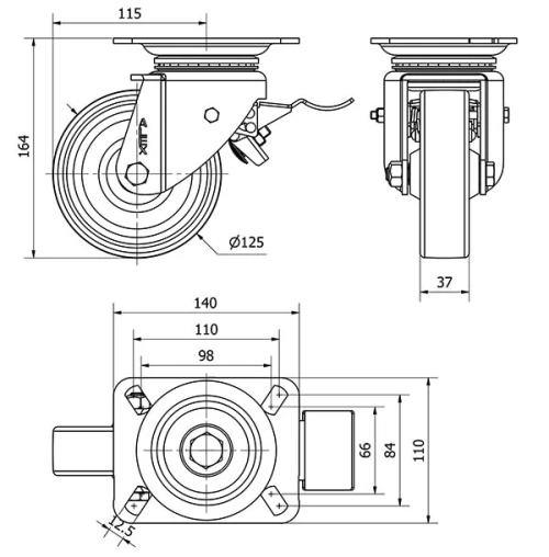
Technische Daten 2-1624

EAN:
8422202216249
Ausführung:
Lenkrollen
Befestigungsarten:
Platte
Bremsentyp:
Totalfeststeller
Laufbelag:
Phenolharz-Rad Hitzebeständig
Niedrige Temperaturen (ºC):
-40
Maximaltemperaturen (ºC):
200
Lagerarten:
Gleitlager
Durchmesser (mm):
125
Radbreite (mm):
37
Plattenabmessungen (mm):
139x110
Schraublochentfernung (mm):
105x80
Schraublochdurchmesser (mm):
10
Störkreisradius (mm):
115
Gesamthöhe (mm):
164
Tragfähigkeit:
550
Einheit Gewicht des Rades (kg):
2466
Volumen (cm3):
4095
Technische Daten 2-1624

Privater Bereich

Regístrate
Download in Format 3D
Download in Format 2D
DWG
PDF downloaden
PDF
Preis
--

Ähnliche Produkte

Kontakt

Kontaktieren Sie uns

Schicken Sie uns das folgende Formular und wir werden Sie kontaktieren, um Ihre Frage zu beantworten.

Kontaktinformationen:
E-Mail: info@alex.es
Telefon: (+34) 974 035 345
Öffnungszeiten:
Montag bis Freitag: 8-14h / 15-18h
Samstag und Sonntag: Geschlossen
Responsable: Ruedas Alex, S.L.U, siendo la Finalidad: gestionar el contacto entre cualquier interesado y nuestros servicios de atención. La Legitimación: es gracias a tu consentimiento. Destinatarios: no se comunicarán los datos personales a ningún tercero. Podrás efercer Tus Derechos de Acceso, Rectificación, Supresión, Limitación, Oposición y Portabilidad en rgpd@alex.es. Para más información consulte la Política de Privacidad.

Informieren Sie sich über alle Neuheiten, Angebote und Promotionen die wir für Sie vorbereitet haben.