Hersteller seit 1958
Ruedas Alex

SERIE TV-TN 2-1621

Siehe Vergleich
Code: 2-1621

Räder aus weissem Nylon, geeignet für Ladungen bis zu 600 kg.

Anwendung: interne Logistik, Werkzeugkarren, rohrförmige Karren, mobile Sitzreihen, Transportutensilien, Hebebühnen, Lebensmittelfabriken, Werkstätten, Treppen, Verpackungsmaschinen, Förderbänder, Container, roll-tainer, Transportkäfige, Basketballkörbe. Besonders geeignet für die Industrie-, Luftfahrt- und Automobilbranche.

Sie werden in mechanischen Ingenieurprojekten von technischen Zeichnern und Projektingenieuren eingesetzt.

TN: robust und resistent. Formbeständing, einfaches Schieben bei schweren Ladungen. Sie hinterlassen keine Spuren. Besonders empfohlen für die Industriebranche. 

Bestandteile

Gehäuse

Sehr robuste Stahlschweißkonstruktion grepresst bis 5 mm. Bichromatisierte Ausführung mit großer Rostbeständigkeit und extrem lange Lebensdauer. Drehkranz mit Lager mit doppelter Stahlkugelreihe in gehärteten Lagerführungen. Drehkranzabdichtung, staubgeschützt. Hergestellt gemäß Europanorm EN 12532.

Rad

Rad aus Polyamid 6, weiß
Temperaturbereich: -30º ÷ +80º
Rollwiderstand Hervorragender
Lärm während des Marsches Angemessen
Bodenschonend Angemessen

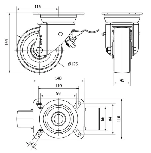
Technische Daten 2-1621

EAN:
8422202216218
Ausführung:
Lenkrollen
Befestigungsarten:
Platte
Bremsentyp:
Totalfeststeller
Laufbelag:
Polyamid 6
Niedrige Temperaturen (ºC):
-30
Maximaltemperaturen (ºC):
80
Lagerarten:
Kugellager
Durchmesser (mm):
125
Radbreite (mm):
45
Plattenabmessungen (mm):
139x110
Schraublochentfernung (mm):
105x80
Schraublochdurchmesser (mm):
10
Störkreisradius (mm):
115
Gesamthöhe (mm):
164
Tragfähigkeit:
350
Einheit Gewicht des Rades (kg):
2,42
Volumen (cm3):
4095
Technische Daten 2-1621

Privater Bereich

Regístrate
Download in Format 3D
Download in Format 2D
DWG
PDF downloaden
PDF
Preis
--

Ähnliche Produkte

Kontakt

Kontaktieren Sie uns

Schicken Sie uns das folgende Formular und wir werden Sie kontaktieren, um Ihre Frage zu beantworten.

Kontaktinformationen:
E-Mail: info@alex.es
Telefon: (+34) 974 035 345
Öffnungszeiten:
Montag bis Freitag: 8-14h / 15-18h
Samstag und Sonntag: Geschlossen
Responsable: Ruedas Alex, S.L.U, siendo la Finalidad: gestionar el contacto entre cualquier interesado y nuestros servicios de atención. La Legitimación: es gracias a tu consentimiento. Destinatarios: no se comunicarán los datos personales a ningún tercero. Podrás efercer Tus Derechos de Acceso, Rectificación, Supresión, Limitación, Oposición y Portabilidad en rgpd@alex.es. Para más información consulte la Política de Privacidad.

Informieren Sie sich über alle Neuheiten, Angebote und Promotionen die wir für Sie vorbereitet haben.