Hersteller seit 1958
Ruedas Alex

SERIE TV-TPG 2-1608

Siehe Vergleich
Code: 2-1608

Räder mit schwarzem Nylonkern und Gummireifen. Geeignet für Ladungen bis zu 280 kg.

Anwendung: Lebensmittelfabriken, Förderbänder, Verpackungsmaschinen, Transportkäfige.

Sie werden von technischen Zeichnern und Projektingenieuren in mechanischen Ingenieurprojekten eingesetzt.

TPG: ideal für den manuellen Transport von mittelschweren Ladungen. Geräuschlos. Gute Absorbierung von Stössen und Schwingungen. Schützt die Böden. Ideal für unebene Böden. 

Bestandteile

Gehäuse

Sehr robuste Stahlschweißkonstruktion grepresst bis 5 mm. Bichromatisierte Ausführung mit großer Rostbeständigkeit und extrem lange Lebensdauer. Drehkranz mit Lager mit doppelter Stahlkugelreihe in gehärteten Lagerführungen. Drehkranzabdichtung, staubgeschützt. Hergestellt gemäß Europanorm EN 12532.

Rad

Radkörper aus schwarzem Polyamid und Laufbelag aus Gummi
Temperaturbereich: -20º ÷ +60º
Rollwiderstand Angemessen
Lärm während des Marsches Hervorragender
Bodenschonend Hervorragender

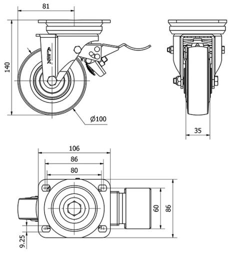
Technische Daten 2-1608

EAN:
8422202216089
Ausführung:
Lenkrollen
Befestigungsarten:
Platte
Bremsentyp:
Totalfeststeller
Laufbelag:
Gummi
Lagerarten:
Gleitlager
Durchmesser (mm):
100
Radbreite (mm):
35
Plattenabmessungen (mm):
106x86
Schraublochentfernung (mm):
86/80x60
Schraublochdurchmesser (mm):
8
Störkreisradius (mm):
81
Gesamthöhe (mm):
140
Tragfähigkeit:
130
Einheit Gewicht des Rades (kg):
1,48
Volumen (cm3):
2336
Technische Daten 2-1608

Privater Bereich

Regístrate
Download in Format 3D
Download in Format 2D
DWG
PDF downloaden
PDF
Preis
--

Ähnliche Produkte

Kontakt

Kontaktieren Sie uns

Schicken Sie uns das folgende Formular und wir werden Sie kontaktieren, um Ihre Frage zu beantworten.

Kontaktinformationen:
E-Mail: info@alex.es
Telefon: (+34) 974 035 345
Öffnungszeiten:
Montag bis Freitag: 8-14h / 15-18h
Samstag und Sonntag: Geschlossen
Responsable: Ruedas Alex, S.L.U, siendo la Finalidad: gestionar el contacto entre cualquier interesado y nuestros servicios de atención. La Legitimación: es gracias a tu consentimiento. Destinatarios: no se comunicarán los datos personales a ningún tercero. Podrás efercer Tus Derechos de Acceso, Rectificación, Supresión, Limitación, Oposición y Portabilidad en rgpd@alex.es. Para más información consulte la Política de Privacidad.

Informieren Sie sich über alle Neuheiten, Angebote und Promotionen die wir für Sie vorbereitet haben.