Hersteller seit 1958
Ruedas Alex

SERIE ZV-AUB 2-2542

Siehe Vergleich
Code: 2-2542

Räder mit Aluminiumkern und Reifen aus geschmolzenem Polyurethan mit einer Härte von 95º shore A, geeignet für Ladungen bis zu 400 kg.

Anwendung: logistische Transportutensilien, Werkstätten, Werkzeugkarren, rohrförmige Karren, Reifenfabriken, interne Logistik, Transportutensilien, Hebebühnen, Gabelstapler, Transportkarren, Leitern, Kehrmaschinen, Pulliermaschinen, Verpackungsmaschinen, Förderbänder, mobile Kräne, Tischlereien, Metallschreinereien, Geflügelfarmen, Fleischfabriken, Container, Sporthallen.

Besonders geeignet für die Luftfahrt-, Eisenbahn-, Automobil-, Lebensmittelbranch, Werkstätten, industrielle Aktivitäten.

Sie werden in mechanischen Ingenieurprojekten von technischen Zeichnern und Projektingenieuren eingesetzt.

AUB: Polyurethan mit einer grossen Ladekapazität. Gute Stossdämpfung.

Bestandteile

Gehäuse

Hergestellt aus tiefgezogenem Stahlblech gepresst bis 4 mm mit einer doppelten Lagerschalen. Verzinkte Ausführung. Doppeltes Kugellager am Drehkranz. Modell zur allgemeinen Verwendung für mittlere Belastungen. Hergestellt gemäß EN 12530/12532.

Rad

Radkörper aus Aluminium-Druckguss und Laufbelag aus Polyurethan.95º Shore A
Temperaturbereich: -20º ÷ +60º
Rollwiderstand Sehr Gut
Lärm während des Marsches Gut
Bodenschonend Sehr Gut

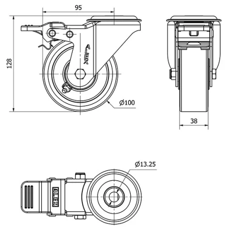
Technische Daten 2-2542

EAN:
8422202225425
Ausführung:
Lenkrollen
Befestigungsarten:
Rückenloch
Bremsentyp:
Totalfeststeller
Laufbelag:
Polyurethan
Härte der lauffläche:
95º SHORE A
Lagerarten:
Kugellager
Durchmesser (mm):
100
Radbreite (mm):
38
Schraublochdurchmesser (mm):
12
Störkreisradius (mm):
95
Gesamthöhe (mm):
128
Tragfähigkeit:
150
Einheit Gewicht des Rades (kg):
1
Volumen (cm3):
1527
Technische Daten 2-2542

Privater Bereich

Regístrate
Download in Format 3D
Download in Format 2D
DWG
PDF downloaden
PDF
Preis
--

Ähnliche Produkte

Kontakt

Kontaktieren Sie uns

Schicken Sie uns das folgende Formular und wir werden Sie kontaktieren, um Ihre Frage zu beantworten.

Kontaktinformationen:
E-Mail: info@alex.es
Telefon: (+34) 974 035 345
Öffnungszeiten:
Montag bis Freitag: 8-14h / 15-18h
Samstag und Sonntag: Geschlossen
Responsable: Ruedas Alex, S.L.U, siendo la Finalidad: gestionar el contacto entre cualquier interesado y nuestros servicios de atención. La Legitimación: es gracias a tu consentimiento. Destinatarios: no se comunicarán los datos personales a ningún tercero. Podrás efercer Tus Derechos de Acceso, Rectificación, Supresión, Limitación, Oposición y Portabilidad en rgpd@alex.es. Para más información consulte la Política de Privacidad.

Informieren Sie sich über alle Neuheiten, Angebote und Promotionen die wir für Sie vorbereitet haben.