Hersteller seit 1958
Ruedas Alex

SERIE ZV-BS 2-0234

Siehe Vergleich
Code: 2-0234

Räder mit Metallkern und Reifen aus schwarzem Gummi, geeignet für Ladungen bis zu 250 kg.

Awendung: Werkzeugkarren, rohrförmige Karren, interne Logistik, mobile Sitzreihen, Transportutensilien, Gabelstapler, Werkzstätten, Logistik von Missionsmaterial, Restaurants, Kehrmaschinen, Pulliermaschinen, Lötmaschinen, mobile Kräne, Anhänger, Geflügelfarmen, Gabelstapler, roll-pallets, roll-tainers, Container.

BS: sanft und geräuschlos, schützt die Böden. Gute Stoss- und Schwingungsdämpfung.

Bestandteile

Gehäuse

Hergestellt aus tiefgezogenem Stahlblech gepresst bis 4 mm mit einer doppelten Lagerschalen.Verzinkte Ausführung.Doppeltes Kugellager am Drehkranz.Modell zur allgemeinen Verwendung für mittlere Belastungen.Hergestellt gemäß EN 12530/12532.

Rad

Stahlblech-Radkörper aus Laufbelag aus Gummi
Temperaturbereich: -20º ÷ +60º
Rollwiderstand Angemessen
Lärm während des Marsches Hervorragender
Bodenschonend Hervorragender

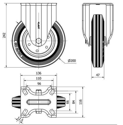
Technische Daten 2-0234

EAN:
8422202202341
Ausführung:
Bockrollen
Befestigungsarten:
Platte
Bremsentyp:
Ohne Bremse
Laufbelag:
Gummi
Lagerarten:
Rollenlager
Durchmesser (mm):
200
Radbreite (mm):
46
Plattenabmessungen (mm):
136x116
Schraublochentfernung (mm):
105x80
Schraublochdurchmesser (mm):
10
Gesamthöhe (mm):
242
Tragfähigkeit:
230
Einheit Gewicht des Rades (kg):
3,12
Volumen (cm3):
5614
Technische Daten 2-0234

Privater Bereich

Regístrate
Download in Format 3D
Download in Format 2D
DWG
PDF downloaden
PDF
Preis
--

Ähnliche Produkte

Kontakt

Kontaktieren Sie uns

Schicken Sie uns das folgende Formular und wir werden Sie kontaktieren, um Ihre Frage zu beantworten.

Kontaktinformationen:
E-Mail: info@alex.es
Telefon: (+34) 974 035 345
Öffnungszeiten:
Montag bis Freitag: 8-14h / 15-18h
Samstag und Sonntag: Geschlossen
Responsable: Ruedas Alex, S.L.U, siendo la Finalidad: gestionar el contacto entre cualquier interesado y nuestros servicios de atención. La Legitimación: es gracias a tu consentimiento. Destinatarios: no se comunicarán los datos personales a ningún tercero. Podrás efercer Tus Derechos de Acceso, Rectificación, Supresión, Limitación, Oposición y Portabilidad en rgpd@alex.es. Para más información consulte la Política de Privacidad.

Informieren Sie sich über alle Neuheiten, Angebote und Promotionen die wir für Sie vorbereitet haben.