Hersteller seit 1958
Ruedas Alex

SERIE ZV-DE 2-2678

Siehe Vergleich
Code: 2-2678

Räder mit Aluminiumkern und Reifen aus elastischem schwarzem Gummi mit einer Härte von 70º shore A, geeignet für Ladungen bis zu 450 kg.

Anwendung: für mittelsschwere und schwere Ladungen, Werkstätten, Aussenbereiche, Werkzeugkarren, interne Logistik, rohrförmige Karren, mobile Sitzreihen, Gabelstapler, Logistik von Missionsmaterial, Restaurants, Kehrmaschinen, Pulliermaschinen, Lötmaschinen, mobile Kräne, Leichtmaschinerie, Hebebühnen, roll-pallets, roll-tainers, Container.

DE: ideal für den manuellen Transport von mittelschweren Ladungen. Geräuschlos. Gute Stoss- und Schwingungsdämpfung. Schützt die Böden.

Bestandteile

Gehäuse

Hergestellt aus tiefgezogenem Stahlblech gepresst bis 4 mm mit einer doppelten Lagerschalen. Verzinkte Ausführung. Doppeltes Kugellager am Drehkranz. Modell zur allgemeinen Verwendung für mittlere Belastungen. Hergestellt gemäß EN 12530/12532.

Rad

Aluminium-Radkörper und Elastik Vollgummireifen, 70º Shore A
Temperaturbereich: -20º ÷ +70º
Rollwiderstand Angemessen
Lärm während des Marsches Hervorragender
Bodenschonend Hervorragender

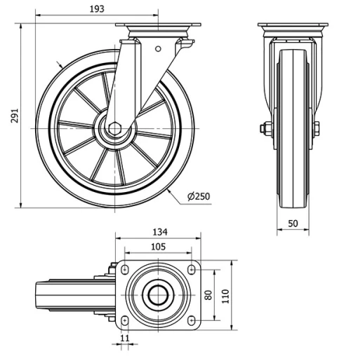
Technische Daten 2-2678

EAN:
8422202226781
Ausführung:
Lenkrollen
Befestigungsarten:
Platte
Bremsentyp:
Ohne Bremse
Laufbelag:
Gummi
Härte der lauffläche:
70º SHORE A
Lagerarten:
Kugellager
Durchmesser (mm):
250
Radbreite (mm):
50
Plattenabmessungen (mm):
140x110
Schraublochentfernung (mm):
105x80
Schraublochdurchmesser (mm):
12
Störkreisradius (mm):
187
Gesamthöhe (mm):
291
Tragfähigkeit:
450
Einheit Gewicht des Rades (kg):
3,92
Volumen (cm3):
8515
Technische Daten 2-2678

Privater Bereich

Regístrate
Download in Format 3D
Download in Format 2D
DWG
PDF downloaden
PDF
Preis
--

Ähnliche Produkte

Kontakt

Kontaktieren Sie uns

Schicken Sie uns das folgende Formular und wir werden Sie kontaktieren, um Ihre Frage zu beantworten.

Kontaktinformationen:
E-Mail: info@alex.es
Telefon: (+34) 974 035 345
Öffnungszeiten:
Montag bis Freitag: 8-14h / 15-18h
Samstag und Sonntag: Geschlossen
Responsable: Ruedas Alex, S.L.U, siendo la Finalidad: gestionar el contacto entre cualquier interesado y nuestros servicios de atención. La Legitimación: es gracias a tu consentimiento. Destinatarios: no se comunicarán los datos personales a ningún tercero. Podrás efercer Tus Derechos de Acceso, Rectificación, Supresión, Limitación, Oposición y Portabilidad en rgpd@alex.es. Para más información consulte la Política de Privacidad.

Informieren Sie sich über alle Neuheiten, Angebote und Promotionen die wir für Sie vorbereitet haben.