Hersteller seit 1958
Ruedas Alex

SERIE ZV-PGM 2-2740

Siehe Vergleich
Code: 2-2740

Räder aus elastischem blauem Gummi, geeignet für Ladungen bis zu 400 kg.

Anwendung: Transportutensilien, Werkstätten, Werkzeugkarren, rohrförmige Karren, interne Logistik, Reifenfabriken, interne Logistik, Lebensmitteltransportwagen, Küche, Kantine, Esssaal, Supermärkte, Container, roll-tainer, roll-pallets, Transportkäfige, Musikboxen, mobile Sitzreihen.

Sie werden in mechanischen Ingenieurprojekten von technischen Zeichnern und Projektingenieuren angewendet.

PGM: hinterlässt keine Spuren. Gute Stoss- und Schwingungsdämpfung. Sanfter und geräuschloser Lauf. Elastisch.

Bestandteile

Gehäuse

Hergestellt aus tiefgezogenem Stahlblech gepresst bis 4 mm mit einer doppelten Lagerschalen.Verzinkte Ausführung.Doppeltes Kugellager am Drehkranz.Modell zur allgemeinen Verwendung für mittlere Belastungen.Hergestellt gemäß EN 12530/12532.

Rad

Polypropylen-Radkörper und elastischer Laufbelag aus blauem Gummi
Temperaturbereich: -20º ÷ +70º
Rollwiderstand Angemessen
Lärm während des Marsches Hervorragender
Bodenschonend Hervorragender

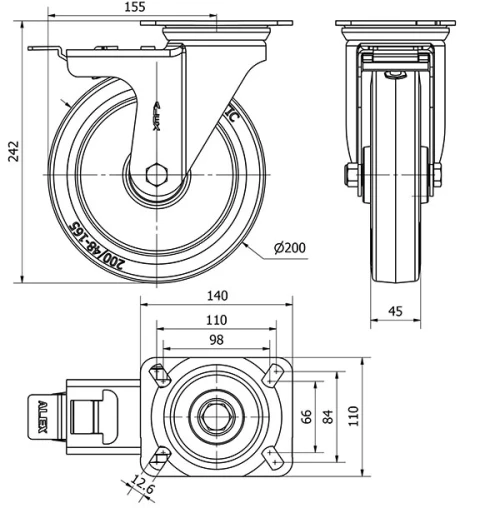
Technische Daten 2-2740

EAN:
8422202227405
Ausführung:
Lenkrollen
Befestigungsarten:
Platte
Bremsentyp:
Totalfeststeller
Laufbelag:
Gummi
Lagerarten:
Rollenlager
Durchmesser (mm):
200
Radbreite (mm):
45
Plattenabmessungen (mm):
140x110
Schraublochentfernung (mm):
105x80
Schraublochdurchmesser (mm):
10
Störkreisradius (mm):
155
Gesamthöhe (mm):
242
Tragfähigkeit:
400
Einheit Gewicht des Rades (kg):
2,86
Volumen (cm3):
6442
Technische Daten 2-2740

Privater Bereich

Regístrate
Download in Format 3D
Download in Format 2D
DWG
PDF downloaden
PDF
Preis
--

Ähnliche Produkte

Kontakt

Kontaktieren Sie uns

Schicken Sie uns das folgende Formular und wir werden Sie kontaktieren, um Ihre Frage zu beantworten.

Kontaktinformationen:
E-Mail: info@alex.es
Telefon: (+34) 974 035 345
Öffnungszeiten:
Montag bis Freitag: 8-14h / 15-18h
Samstag und Sonntag: Geschlossen
Responsable: Ruedas Alex, S.L.U, siendo la Finalidad: gestionar el contacto entre cualquier interesado y nuestros servicios de atención. La Legitimación: es gracias a tu consentimiento. Destinatarios: no se comunicarán los datos personales a ningún tercero. Podrás efercer Tus Derechos de Acceso, Rectificación, Supresión, Limitación, Oposición y Portabilidad en rgpd@alex.es. Para más información consulte la Política de Privacidad.

Informieren Sie sich über alle Neuheiten, Angebote und Promotionen die wir für Sie vorbereitet haben.