Hersteller seit 1958
Ruedas Alex

SERIE ZV-PGR 2-3780

Siehe Vergleich
Code: 2-3780

Räder aus grauem elastischem Gummi. Geeignet für Ladungen bis zu 400 kg.

Anwendung: Werkstätten, Werkzeugkarren, rohrförmige Karren, interne Logistik, Reifenfabriken, Transportutensilien, Lebensmitteltransportkarren, Küche, Kantine, Esssaal, Supermärkte, Container, roll-tainers, roll-pallets, Transportkäfige, Musikboxen, mobile Sitzreihen. 

Sie werden in mechanischen Ingenieurprojekten von technischen Zeichnern und Projektingenieuren angewendet.

PGR: hinterlässt keine Spuren auf den Böden. Grosse Stoss- und Schwingungsdämpfung. Elastisch und geräuschlos.

Bestandteile

Gehäuse

Hergestellt aus tiefgezogenem Stahlblech gepresst bis 4 mm mit einer doppelten Lagerschalen. Verzinkte Ausführung. Doppeltes Kugellager am Drehkranz. Modell zur allgemeinen Verwendung für mittlere Belastungen. Hergestellt gemäß EN 12530/12532.

Rad

Rollwiderstand Angemessen
Lärm während des Marsches Hervorragender
Bodenschonend Hervorragender

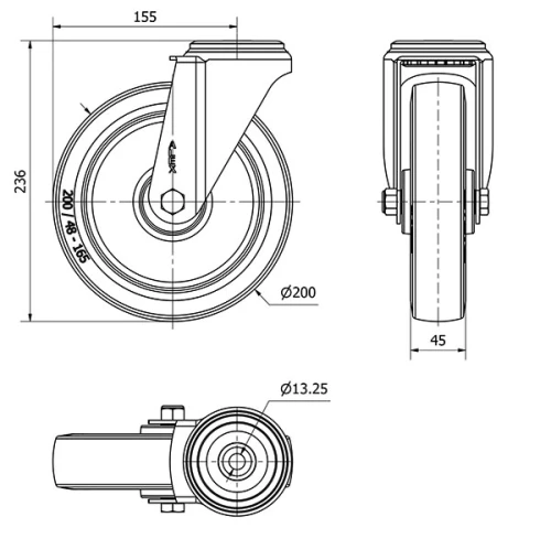
Technische Daten 2-3780

EAN:
8422202237800
Ausführung:
Lenkrollen
Befestigungsarten:
Rückenloch
Bremsentyp:
Ohne Bremse
Laufbelag:
Gummi
Lagerarten:
Rollenlager
Durchmesser (mm):
200
Radbreite (mm):
45
Schraublochdurchmesser (mm):
12
Störkreisradius (mm):
155
Gesamthöhe (mm):
236
Tragfähigkeit:
300
Einheit Gewicht des Rades (kg):
2,304
Volumen (cm3):
4263
Technische Daten 2-3780

Privater Bereich

Regístrate
Download in Format 3D
Download in Format 2D
DWG
PDF downloaden
PDF
Preis
--

Ähnliche Produkte

Kontakt

Kontaktieren Sie uns

Schicken Sie uns das folgende Formular und wir werden Sie kontaktieren, um Ihre Frage zu beantworten.

Kontaktinformationen:
E-Mail: info@alex.es
Telefon: (+34) 974 035 345
Öffnungszeiten:
Montag bis Freitag: 8-14h / 15-18h
Samstag und Sonntag: Geschlossen
Responsable: Ruedas Alex, S.L.U, siendo la Finalidad: gestionar el contacto entre cualquier interesado y nuestros servicios de atención. La Legitimación: es gracias a tu consentimiento. Destinatarios: no se comunicarán los datos personales a ningún tercero. Podrás efercer Tus Derechos de Acceso, Rectificación, Supresión, Limitación, Oposición y Portabilidad en rgpd@alex.es. Para más información consulte la Política de Privacidad.

Informieren Sie sich über alle Neuheiten, Angebote und Promotionen die wir für Sie vorbereitet haben.