Hersteller seit 1958
Ruedas Alex

SERIE ZV-PGZ 2-3210

Siehe Vergleich
Code: 2-3210

Räder auf gespritztem grauem Gummi mit Kern aus Polypropylen. Geeignet für Ladungen bis zu 180 kg.

Anwendung: Lebensmitteltransportkarren, Küche, Kantine, Lebensmittelfabriken, Supermärkte, Leichtmaschinerie, Papiercontainer, Transportkäfige, roll-tainers, roll-pallets. Industrie-, Lebensmittel- und Baubranche.

Sie werden in mechanischen Ingenieurprojekten von technischen Zeichnern und Projektingenieuren eingesetzt.

PGZ: hinterlässt keine Spuren. Leichter Lauf auch mit Ladung.

Bestandteile

Gehäuse

Hergestellt aus tiefgezogenem Stahlblech gepresst bis 4 mm mit einer doppelten Lagerschalen.Verzinkte Ausführung.Doppeltes Kugellager am Drehkranz.Modell zur allgemeinen Verwendung für mittlere Belastungen.Hergestellt gemäß EN 12530/12532.

Rad

Thermoplastischer Gummi und Radkörper aus Polypropylene

Rollwiderstand Gut
Lärm während des Marsches Sehr Gut
Bodenschonend Sehr Gut

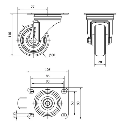
Technische Daten 2-3210

EAN:
8422202232102
Ausführung:
Lenkrollen
Befestigungsarten:
Platte
Bremsentyp:
Ohne Bremse
Laufbelag:
Gummi
Lagerarten:
Gleitlager
Durchmesser (mm):
80
Radbreite (mm):
28
Plattenabmessungen (mm):
105x80
Schraublochentfernung (mm):
86/80x60
Schraublochdurchmesser (mm):
8
Störkreisradius (mm):
77
Gesamthöhe (mm):
110
Tragfähigkeit:
80
Einheit Gewicht des Rades (kg):
0,569
Volumen (cm3):
1140
Technische Daten 2-3210

Privater Bereich

Regístrate
Download in Format 3D
Download in Format 2D
DWG
PDF downloaden
PDF
Preis
--

Ähnliche Produkte

Kontakt

Kontaktieren Sie uns

Schicken Sie uns das folgende Formular und wir werden Sie kontaktieren, um Ihre Frage zu beantworten.

Kontaktinformationen:
E-Mail: info@alex.es
Telefon: (+34) 974 035 345
Öffnungszeiten:
Montag bis Freitag: 8-14h / 15-18h
Samstag und Sonntag: Geschlossen
Responsable: Ruedas Alex, S.L.U, siendo la Finalidad: gestionar el contacto entre cualquier interesado y nuestros servicios de atención. La Legitimación: es gracias a tu consentimiento. Destinatarios: no se comunicarán los datos personales a ningún tercero. Podrás efercer Tus Derechos de Acceso, Rectificación, Supresión, Limitación, Oposición y Portabilidad en rgpd@alex.es. Para más información consulte la Política de Privacidad.

Informieren Sie sich über alle Neuheiten, Angebote und Promotionen die wir für Sie vorbereitet haben.