Hersteller seit 1958
Ruedas Alex

SERIE ZV-PO 2-3784

Siehe Vergleich
Code: 2-3784

Räder aus weissem Nylonkern und Reifen aus rotem gespritztem Polyurethan mit einer Härte von 90-95º shore A. Geeignet für Ladungen bis zu 400 kg.

Anwendung: Werkstätten, Aussenbereiche, interne Logistik, Werkzeugkarren, rohrförmige Karren, Gabelstapler, Leitern, Kehrmaschinen, Pulliermaschinen, Verpackungsmaschinen, Förderbänder, mobile Kräne, Tischlereien, Metallschreinereien, Geflügelfarmen, Fleischfabriken, Container, Sporthallen.

Besonders geeignet für die Luftfahrt-, Eisenbahn-, Automobil- und Lebensmittelbranche. Werkstätten, industrielle Aktivitäten.

Sie werden in mechanischen Ingenieurprojekten von technischen Zeichnern und Projektingenieuren eingesetzt.

PO: elastischer und geräuschloser Lauf. Schützt die Böden. Hohe Verschleissresistenz. Hohe Resistenz gegenüber Fetten und Ölen. Formbeständig. Hinterlässt keine Spuren auf den Böden.

Bestandteile

Gehäuse

Hergestellt aus tiefgezogenem Stahlblech gepresst bis 4 mm mit einer doppelten Lagerschalen. Verzinkte Ausführung. Doppeltes Kugellager am Drehkranz. Modell zur allgemeinen Verwendung für mittlere Belastungen. Hergestellt gemäß EN 12530/12532.

Rad

Weißer Polyamid-Radkörper und Laufbelag aus rotem Polyurethan.95º Shore A
Temperaturbereich: -25º ÷ +80º
Rollwiderstand Sehr Gut
Lärm während des Marsches Sehr Gut
Bodenschonend Sehr Gut

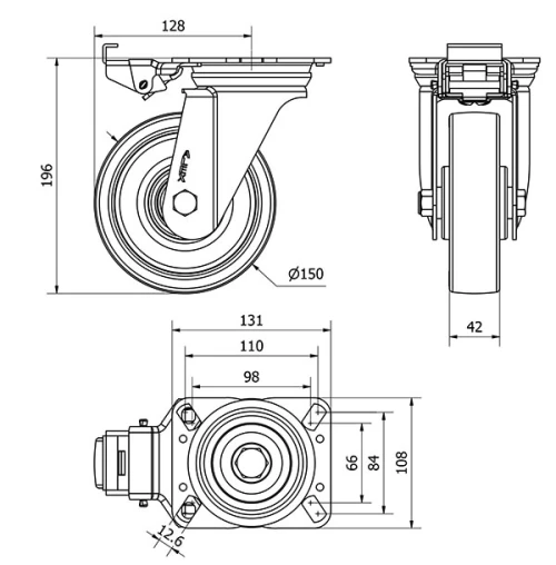
Technische Daten 2-3784

EAN:
8422202237848
Ausführung:
Lenkrollen
Befestigungsarten:
Platte
Bremsentyp:
Richtungsfeststeller
Laufbelag:
Polyurethan
Härte der lauffläche:
90-95º SHORE A
Lagerarten:
Kugellager
Durchmesser (mm):
150
Radbreite (mm):
42
Plattenabmessungen (mm):
140x110
Schraublochentfernung (mm):
105x80
Schraublochdurchmesser (mm):
10
Störkreisradius (mm):
128
Gesamthöhe (mm):
196
Tragfähigkeit:
400
Einheit Gewicht des Rades (kg):
2,045
Volumen (cm3):
4099
Technische Daten 2-3784

Privater Bereich

Regístrate
Download in Format 3D
Download in Format 2D
DWG
PDF downloaden
PDF
Preis
--

Ähnliche Produkte

Kontakt

Kontaktieren Sie uns

Schicken Sie uns das folgende Formular und wir werden Sie kontaktieren, um Ihre Frage zu beantworten.

Kontaktinformationen:
E-Mail: info@alex.es
Telefon: (+34) 974 035 345
Öffnungszeiten:
Montag bis Freitag: 8-14h / 15-18h
Samstag und Sonntag: Geschlossen
Responsable: Ruedas Alex, S.L.U, siendo la Finalidad: gestionar el contacto entre cualquier interesado y nuestros servicios de atención. La Legitimación: es gracias a tu consentimiento. Destinatarios: no se comunicarán los datos personales a ningún tercero. Podrás efercer Tus Derechos de Acceso, Rectificación, Supresión, Limitación, Oposición y Portabilidad en rgpd@alex.es. Para más información consulte la Política de Privacidad.

Informieren Sie sich über alle Neuheiten, Angebote und Promotionen die wir für Sie vorbereitet haben.