Hersteller seit 1958
Ruedas Alex

SERIE ZV-POA 2-2915

Siehe Vergleich
Code: 2-2915

Räder mit weissem Polypropylenkern und Reifen aus gespritztem blauem Polyurethan mit einer Härte von 80º shore A. Geeignet für Ladungen bis zu 250 kg.

Anwendung: Transportutensilien, Werkstätten, Aussenbereiche, interne Logistik, Werkeugkarren, rohrförmige Karren, Reifenfabriken, Gabelstapler, Transportkarren, Leitern, Kehrmaschinen, Pulliermaschinen, Verpackungsmaschinen, Förderbänder, mobile Kräne, Tischlereien, Metallschreinereien, Geflügelfarmen, Fleischfabriken, Container, Sporthallen.

Besonders geeignet für die Luftfahrt-, Eisenbhan-, Automobil- und Lebensmittelbranche. Werksätten, industrielle Aktivitäten.

Sie werden in mechanischen Ingenieurprojekten von technischen Zeichnern und Projektingenieuren eingesetzt.

POA: geräuschlos, elastisch, hinterlässt keine Spuren. Sehr verschleissresistent. Hohe Resistenz gegen Fette und Öle.

Bestandteile

Gehäuse

Hergestellt aus tiefgezogenem Stahlblech gepresst bis 4 mm mit einer doppelten Lagerschalen. Verzinkte Ausführung. Doppeltes Kugellager am Drehkranz. Modell zur allgemeinen Verwendung für mittlere Belastungen. Hergestellt gemäß EN 12530/12532.

Rad

Weißer Polypropylen-Radkörper und Laufbelag aus blauem Polyurethan. 80º Shore A
Temperaturbereich: -25º ÷ +80º
Rollwiderstand Gut
Lärm während des Marsches Sehr Gut
Bodenschonend Sehr Gut

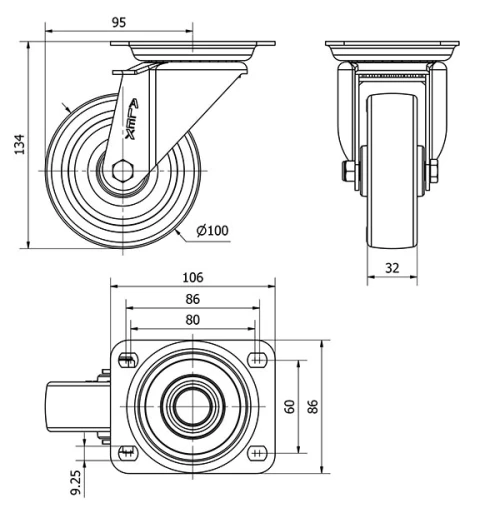
Technische Daten 2-2915

EAN:
8422202229157
Ausführung:
Lenkrollen
Befestigungsarten:
Platte
Bremsentyp:
Ohne Bremse
Laufbelag:
Polyurethan
Härte der lauffläche:
80º SHORE A
Lagerarten:
Rollenlager
Durchmesser (mm):
100
Radbreite (mm):
32
Plattenabmessungen (mm):
106x86
Schraublochentfernung (mm):
86/80x60
Schraublochdurchmesser (mm):
8
Störkreisradius (mm):
95
Gesamthöhe (mm):
133
Tragfähigkeit:
150
Einheit Gewicht des Rades (kg):
0,764
Volumen (cm3):
1706
Technische Daten 2-2915

Privater Bereich

Regístrate
Download in Format 3D
Download in Format 2D
DWG
PDF downloaden
PDF
Preis
--

Ähnliche Produkte

Kontakt

Kontaktieren Sie uns

Schicken Sie uns das folgende Formular und wir werden Sie kontaktieren, um Ihre Frage zu beantworten.

Kontaktinformationen:
E-Mail: info@alex.es
Telefon: (+34) 974 035 345
Öffnungszeiten:
Montag bis Freitag: 8-14h / 15-18h
Samstag und Sonntag: Geschlossen
Responsable: Ruedas Alex, S.L.U, siendo la Finalidad: gestionar el contacto entre cualquier interesado y nuestros servicios de atención. La Legitimación: es gracias a tu consentimiento. Destinatarios: no se comunicarán los datos personales a ningún tercero. Podrás efercer Tus Derechos de Acceso, Rectificación, Supresión, Limitación, Oposición y Portabilidad en rgpd@alex.es. Para más información consulte la Política de Privacidad.

Informieren Sie sich über alle Neuheiten, Angebote und Promotionen die wir für Sie vorbereitet haben.