Hersteller seit 1958
Ruedas Alex

SERIE ZV-POL 2-2354

Siehe Vergleich
Code: 2-2354

Räder mit Kern aus weissem Polypropylen und Reifen aus gespritztem braunem Polyurethan mit einer Härte von 95 shore A, geeignet für Ladungen bis zu 300 kg.

Anwendung: Transportutensilien, Werkstätten, Aussenbereiche, interne Logistik, Werkzeugkarren, rohrförmige Karren, Reifenfabriken, interne Logistik, Werkzeugkarren, Transportutensilien, Hebebühnen, Transportkarren, Leitern, Kehrmaschinen, Pulliermaschinen, Verpackungsmaschinen, Förderbänder, mobile Kräne, Gabelstapler, Tischlereien, Metallschreinereien, Geflügelfarmen, Fleischfabriken, Container, Sporthallen, Musikboxen.

Besonders geeignet für die Luftfahrt-, Eisenbahn-, Automobil-, Lebenmittelbranche, Werstätten, industrielle Aktivitäten.

Sie werden in mechanischen Ingenieurprojekten von technischen Zeichnern und Projektingenieuren eingesetzt.

POL: sehr verschleissresistent. Hohe Resistenz gegen Öle und Fette. Geräuschlos, formbeständig,  hinterlässt keine Spuren.

Bestandteile

Gehäuse

Hergestellt aus tiefgezogenem Stahlblech gepresst bis 4 mm mit einer doppelten Lagerschalen. Verzinkte Ausführung. Doppeltes Kugellager am Drehkranz. Modell zur allgemeinen Verwendung für mittlere Belastungen. Hergestellt gemäß EN 12530/12532.

Rad

Weißer Polypropylen-Radkörper und Laufbelag aus braunem Polyurethan. 90º Shore A
Temperaturbereich: -25º ÷ +80º
Rollwiderstand Sehr Gut
Lärm während des Marsches Sehr Gut
Bodenschonend Sehr Gut

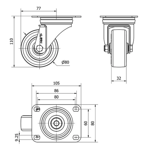
Technische Daten 2-2354

EAN:
8422202223544
Ausführung:
Lenkrollen
Befestigungsarten:
Platte
Bremsentyp:
Ohne Bremse
Laufbelag:
Polyurethan
Härte der lauffläche:
95º SHORE A
Lagerarten:
Gleitlager
Durchmesser (mm):
80
Radbreite (mm):
32
Plattenabmessungen (mm):
105x80
Schraublochentfernung (mm):
86/80x60
Schraublochdurchmesser (mm):
8
Störkreisradius (mm):
77
Gesamthöhe (mm):
110
Tragfähigkeit:
150
Einheit Gewicht des Rades (kg):
0,58
Volumen (cm3):
1140
Technische Daten 2-2354

Privater Bereich

Regístrate
Download in Format 3D
Download in Format 2D
DWG
PDF downloaden
PDF
Preis
--

Ähnliche Produkte

Kontakt

Kontaktieren Sie uns

Schicken Sie uns das folgende Formular und wir werden Sie kontaktieren, um Ihre Frage zu beantworten.

Kontaktinformationen:
E-Mail: info@alex.es
Telefon: (+34) 974 035 345
Öffnungszeiten:
Montag bis Freitag: 8-14h / 15-18h
Samstag und Sonntag: Geschlossen
Responsable: Ruedas Alex, S.L.U, siendo la Finalidad: gestionar el contacto entre cualquier interesado y nuestros servicios de atención. La Legitimación: es gracias a tu consentimiento. Destinatarios: no se comunicarán los datos personales a ningún tercero. Podrás efercer Tus Derechos de Acceso, Rectificación, Supresión, Limitación, Oposición y Portabilidad en rgpd@alex.es. Para más información consulte la Política de Privacidad.

Informieren Sie sich über alle Neuheiten, Angebote und Promotionen die wir für Sie vorbereitet haben.