Hersteller seit 1958
Ruedas Alex

SERIE ZV-PS Grau 2-3428

Siehe Vergleich
Code: 2-3428

Räder aus natürlichem grauem Gummi. Geeignet für Ladungen bis zu 215 kg.

Anwendung: Werkzeugkarren, rohrförmige Karren, interne Logistik, mobile Sitzreihen, Gabelstapler, Werkstätten, Lebensmitteltransportkarren, Küche, Kantine, Esssaal, Restaurante, Lebensmittelfabriken, Logistik von Missionsmaterial, Utensilientransport, Leitern, Kehrmaschinen, Pulliermaschinen, Lötmaschinen, Kräne, Verpackungsmaschinen, Förderbänder, mobile Kräne, Anhänger, Leichtmaschinerie, Tischlereien, Schlössereien, Metallschreinereien, Geflügelfarmen, Müllcontainer, Container, roll-tainer, roll-pallets, Transportkäfige.

PS GRAU: leichter und geräuschloser Lauf. Schützt die Böden. Gute Stoss- und Schwingungsdämpfung. Hinterlässt keine Spuren.  

Bestandteile

Gehäuse

Hergestellt aus tiefgezogenem Stahlblech gepresst bis 4 mm mit einer doppelten Lagerschalen.Verzinkte Ausführung.Doppeltes Kugellager am Drehkranz.Modell zur allgemeinen Verwendung für mittlere Belastungen.Hergestellt gemäß EN 12530/12532.

Rad

Thermoplastischer Gummi und Radkörper aus Polypropylene

Rollwiderstand Angemessen
Lärm während des Marsches Hervorragender
Bodenschonend Hervorragender

Technische Daten 2-3428

EAN:
8422202234281
Ausführung:
Lenkrollen
Befestigungsarten:
Platte
Bremsentyp:
Richtungsfeststeller
Laufbelag:
Gummi
Lagerarten:
Rollenlager
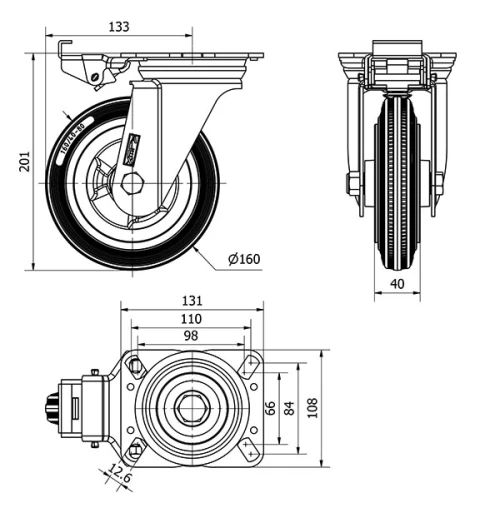
Durchmesser (mm):
160
Radbreite (mm):
40
Plattenabmessungen (mm):
140x110
Schraublochentfernung (mm):
105x80
Schraublochdurchmesser (mm):
10
Störkreisradius (mm):
133
Gesamthöhe (mm):
201
Tragfähigkeit:
160
Einheit Gewicht des Rades (kg):
2,551
Volumen (cm3):
4354
Technische Daten 2-3428

Privater Bereich

Regístrate
Download in Format 3D
Download in Format 2D
DWG
PDF downloaden
PDF
Preis
--

Ähnliche Produkte

Kontakt

Kontaktieren Sie uns

Schicken Sie uns das folgende Formular und wir werden Sie kontaktieren, um Ihre Frage zu beantworten.

Kontaktinformationen:
E-Mail: info@alex.es
Telefon: (+34) 974 035 345
Öffnungszeiten:
Montag bis Freitag: 8-14h / 15-18h
Samstag und Sonntag: Geschlossen
Responsable: Ruedas Alex, S.L.U, siendo la Finalidad: gestionar el contacto entre cualquier interesado y nuestros servicios de atención. La Legitimación: es gracias a tu consentimiento. Destinatarios: no se comunicarán los datos personales a ningún tercero. Podrás efercer Tus Derechos de Acceso, Rectificación, Supresión, Limitación, Oposición y Portabilidad en rgpd@alex.es. Para más información consulte la Política de Privacidad.

Informieren Sie sich über alle Neuheiten, Angebote und Promotionen die wir für Sie vorbereitet haben.