Hersteller seit 1958
Ruedas Alex

SERIE ZV-PS 2-2888

Siehe Vergleich
Code: 2-2888

Räder aus natürlichem schwarzem Gummi, geeignet für Ladungen bis zu 215 kg.

Anwendung: Werkzeugkarren, rohrförmige Karren, interne Logistik, mobile Sitzreihen, Transportutensilien, mobile Sitzreihen, Gabelstapler, Werkstätten, Lebensmitteltransportkarren, Küche, Kantine, Restaurants, Lebensmittelfabriken, Logistik von Missionsmaterial, Leitern, Kehrmaschinen, Pulliermaschinen, Lötmaschinen, Zementfabriken, Kräne, Verpackungsmaschinen, Förderbänder, mobile Kräne, Anhänger, Leichtmaschinerie, Tischlereien, Schlössereien, Metallschreinereien, Geflügelfarmen, Müllcontainer, Container, roll-tainers, roo-pallets, Transportkäfige.

PS: sanft und geräuschlos, schützt die Böden. Gute Stoss- und Schwingungsdämpfung.

Bestandteile

Gehäuse

Hergestellt aus tiefgezogenem Stahlblech gepresst bis 4 mm mit einer doppelten Lagerschalen.Verzinkte Ausführung.Doppeltes Kugellager am Drehkranz.Modell zur allgemeinen Verwendung für mittlere Belastungen.Hergestellt gemäß EN 12530/12532.

Rad

Polypropylen-Radkörper aus Laufbelag aus Gummi
Temperaturbereich: -20º ÷ +60º
Rollwiderstand Angemessen
Lärm während des Marsches Hervorragender
Bodenschonend Hervorragender

Technische Daten 2-2888

EAN:
8422202228884
Ausführung:
Lenkrollen
Befestigungsarten:
Rückenloch
Bremsentyp:
Ohne Bremse
Laufbelag:
Gummi
Lagerarten:
Gleitlager
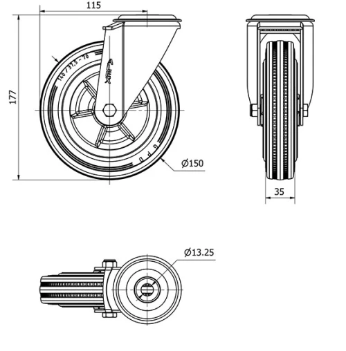
Durchmesser (mm):
150
Radbreite (mm):
35
Schraublochdurchmesser (mm):
12
Störkreisradius (mm):
115
Gesamthöhe (mm):
177
Tragfähigkeit:
150
Einheit Gewicht des Rades (kg):
1,132
Volumen (cm3):
1881
:
L
Technische Daten 2-2888

Privater Bereich

Regístrate
Download in Format 3D
Download in Format 2D
DWG
PDF downloaden
PDF
Preis
--

Ähnliche Produkte

Kontakt

Kontaktieren Sie uns

Schicken Sie uns das folgende Formular und wir werden Sie kontaktieren, um Ihre Frage zu beantworten.

Kontaktinformationen:
E-Mail: info@alex.es
Telefon: (+34) 974 035 345
Öffnungszeiten:
Montag bis Freitag: 8-14h / 15-18h
Samstag und Sonntag: Geschlossen
Responsable: Ruedas Alex, S.L.U, siendo la Finalidad: gestionar el contacto entre cualquier interesado y nuestros servicios de atención. La Legitimación: es gracias a tu consentimiento. Destinatarios: no se comunicarán los datos personales a ningún tercero. Podrás efercer Tus Derechos de Acceso, Rectificación, Supresión, Limitación, Oposición y Portabilidad en rgpd@alex.es. Para más información consulte la Política de Privacidad.

Informieren Sie sich über alle Neuheiten, Angebote und Promotionen die wir für Sie vorbereitet haben.