Hersteller seit 1958
Ruedas Alex

SERIE ZV-UT 2-0239

Siehe Vergleich
Code: 2-0239

Räder aus weissem Polypropylen, geeignet für Ladungen bis zu 400 kg.

Anwendung: interne Logistik, Werkstätten, Werkzeugkarren, mobile Sitzreihen, Transportutensilien, Hebebühnen, Lebensmittelfabriken, Transportkarren, Logistik von Missionsmaterial, Leitern, Verpackungsmaschinen, Förderbänder, Leichtmaschinerie der Bauindustrie, Tischlereien, Schlössereien, Metallschreinereien, Geflügelfarmen, Fleischfabriken, Textilfabriken, Sporthallen, Container, Transportkäfige. 

Besonders geeignet für die Luftfahrt-, Automobil-, Lebensmittel-, Textilbranche, Landwirtschaft, Geflügelfarmen.

Sie werden in mechanischen Ingenieurprojekten von technischen Zeichnern und Projektingenieuren eingesetzt.

UT: formbeständig und resistent. Leichter Schub und Lauf.

Bestandteile

Gehäuse

Hergestellt aus tiefgezogenem Stahlblech gepresst bis 4 mm mit einer doppelten Lagerschalen.Verzinkte Ausführung.Doppeltes Kugellager am Drehkranz.Modell zur allgemeinen Verwendung für mittlere Belastungen.Hergestellt gemäß EN 12530/12532.

Rad

Rad aus Polypropylen, weiß
Temperaturbereich: -20º ÷ +60º
Rollwiderstand Sehr Gut
Lärm während des Marsches Angemessen
Bodenschonend Angemessen

Technische Daten 2-0239

EAN:
8422202202396
Ausführung:
Lenkrollen
Befestigungsarten:
Platte
Bremsentyp:
Ohne Bremse
Laufbelag:
Polypropylen
Niedrige Temperaturen (ºC):
-20
Maximaltemperaturen (ºC):
60
Lagerarten:
Gleitlager
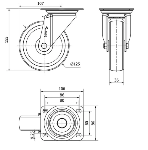
Durchmesser (mm):
125
Radbreite (mm):
36
Plattenabmessungen (mm):
106x86
Schraublochentfernung (mm):
86/80x60
Schraublochdurchmesser (mm):
8
Störkreisradius (mm):
107
Gesamthöhe (mm):
155
Tragfähigkeit:
250
Einheit Gewicht des Rades (kg):
0,78
Volumen (cm3):
2133
Technische Daten 2-0239

Privater Bereich

Regístrate
Download in Format 3D
Download in Format 2D
DWG
PDF downloaden
PDF
Preis
--

Ähnliche Produkte

Kontakt

Kontaktieren Sie uns

Schicken Sie uns das folgende Formular und wir werden Sie kontaktieren, um Ihre Frage zu beantworten.

Kontaktinformationen:
E-Mail: info@alex.es
Telefon: (+34) 974 035 345
Öffnungszeiten:
Montag bis Freitag: 8-14h / 15-18h
Samstag und Sonntag: Geschlossen
Responsable: Ruedas Alex, S.L.U, siendo la Finalidad: gestionar el contacto entre cualquier interesado y nuestros servicios de atención. La Legitimación: es gracias a tu consentimiento. Destinatarios: no se comunicarán los datos personales a ningún tercero. Podrás efercer Tus Derechos de Acceso, Rectificación, Supresión, Limitación, Oposición y Portabilidad en rgpd@alex.es. Para más información consulte la Política de Privacidad.

Informieren Sie sich über alle Neuheiten, Angebote und Promotionen die wir für Sie vorbereitet haben.