Hersteller seit 1958
Ruedas Alex

SERIE HLB-DE 2-3350

Siehe Vergleich
Code: 2-3350

Rollen mit Aluminiumkern und Reifen aus elastischem schwarzen Gummi mit einer Härte von 70º shore A. Sie sind besonders für schwere Ladungen bis zu 500 kg geeignet.

Sie werden eingesetzt von Karrosseriebauern, in interner Logistik, Transportwerkzeuge, Hebebühnen, Transportwagen, Transport von Missionsmaterial, Schwermaschinen, mobile Kräne, in Sporthallen, Kehr- und Poliermaschinen.

DE: Sie sind ideal geeignet für den manuellen Transport von mittleren Ladungen, sie sind geräuschlos. Gute Dämpfung von Stössen und Schwingungen. Sie schützen den Boden und sind ideal für unebene Böden.

Bestandteile

Gehäuse

Stahlschweißkonstruktion bis 8 mm. Ausführung, schwarz lackiert. Lenkrollen-Gehäuse mit Kugellagerung und Kegelrollenlager im Drehkranz, der obere mit in gehärteten Präzisionsführungen laufenden Stahlkugeln. Die eine lange Haltbarkeit gewährleisten und der untere mit Kegelrollenlager ermöglicht Dreh-, Radial- und Axialkräfte. Schmiervorrichtung am Drehkranz und Rad. Hergestellt gemäß EN 12532/12533.

Rad

Aluminium-Radkörper und Elastik Vollgummireifen, 70º Shore A
Temperaturbereich: -20º ÷ +70º
Rollwiderstand Angemessen
Lärm während des Marsches Hervorragender
Bodenschonend Hervorragender

Technische Daten 2-3350

EAN:
8422202233505
Ausführung:
Lenkrollen
Befestigungsarten:
Platte
Bremsentyp:
Richtungsfeststeller
Laufbelag:
Gummi
Härte der lauffläche:
70º SHORE A
Lagerarten:
Kugellager
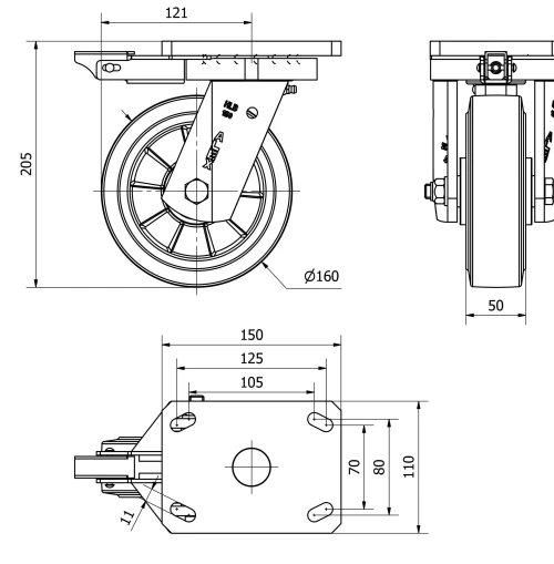
Durchmesser (mm):
160
Radbreite (mm):
50
Plattenabmessungen (mm):
150x110
Schraublochentfernung (mm):
105x80
Schraublochdurchmesser (mm):
10
Störkreisradius (mm):
121
Gesamthöhe (mm):
205
Tragfähigkeit:
350
Einheit Gewicht des Rades (kg):
4,869
Volumen (cm3):
4533
Technische Daten 2-3350

Privater Bereich

Regístrate
Download in Format 3D
Download in Format 2D
DWG
PDF downloaden
PDF
Preis
--

Ähnliche Produkte

Kontakt

Kontaktieren Sie uns

Schicken Sie uns das folgende Formular und wir werden Sie kontaktieren, um Ihre Frage zu beantworten.

Kontaktinformationen:
E-Mail: info@alex.es
Telefon: (+34) 974 035 345
Öffnungszeiten:
Montag bis Freitag: 8-14h / 15-18h
Samstag und Sonntag: Geschlossen
Responsable: Ruedas Alex, S.L.U, siendo la Finalidad: gestionar el contacto entre cualquier interesado y nuestros servicios de atención. La Legitimación: es gracias a tu consentimiento. Destinatarios: no se comunicarán los datos personales a ningún tercero. Podrás efercer Tus Derechos de Acceso, Rectificación, Supresión, Limitación, Oposición y Portabilidad en rgpd@alex.es. Para más información consulte la Política de Privacidad.

Informieren Sie sich über alle Neuheiten, Angebote und Promotionen die wir für Sie vorbereitet haben.