Hersteller seit 1958
Ruedas Alex

SERIE HLB-FT 2-2300

Siehe Vergleich
Code: 2-2300

Rollen aus extra starkem Nylon, besonders für schwere Ladungen bis zu 1.250 kg geeignet.

Angewendet für Utensilien des logistischen Transports, Aussenflächen, interne Logistik, mobile Sitzreihen, Hebebühnen, Transportkarren, Logistik von Missionsmaterial, Schwermaschinen der Baubranche, mobile Kräne, Sporthallen. Besonders geeignet für die Luftfahrt-, Eisenbahn und Automobilbranche. Weisse Hallen.

FT: besonders geeignet für Einsätze in der Lebensmittel- und Chemieindustrie. Hinterlässt keine Spuren auf den Böden. Extra stark. Konservenfabriken.

Bestandteile

Gehäuse

Stahlschweißkonstruktion bis 8 mm.Ausführung, schwarz lackiert.Lenkrollen-Gehäuse mit Kugellagerung und Kegelrollenlager im Drehkranz, der obere mit in gehärteten Präzisionsführungen laufenden Stahlkugeln.Die eine lange Haltbarkeit gewährleistenund der untere mit Kegelrollenlager ermöglicht Dreh-, Radial- und Axialkräfte.Schmiervorrichtung am Drehkranz und Rad.Hergestellt gemäß EN 12532/12533.

Rad

Aus hochwertigem Polyamid 6, weiß
Temperaturbereich: -30º ÷ +80º
Rollwiderstand Hervorragender
Lärm während des Marsches Angemessen
Bodenschonend Angemessen

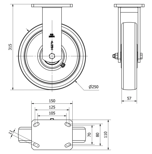
Technische Daten 2-2300

EAN:
8422202223001
Ausführung:
Bockrollen
Befestigungsarten:
Platte
Bremsentyp:
Ohne Bremse
Laufbelag:
Polyamid 6
Lagerarten:
Kugellager
Durchmesser (mm):
250
Radbreite (mm):
57
Plattenabmessungen (mm):
150x110
Schraublochentfernung (mm):
105x80
Schraublochdurchmesser (mm):
10
Gesamthöhe (mm):
315
Tragfähigkeit:
1100
Einheit Gewicht des Rades (kg):
7
Volumen (cm3):
2599
:
E
Technische Daten 2-2300

Privater Bereich

Regístrate
Download in Format 3D
Download in Format 2D
DWG
PDF downloaden
PDF
Preis
--

Ähnliche Produkte

Kontakt

Kontaktieren Sie uns

Schicken Sie uns das folgende Formular und wir werden Sie kontaktieren, um Ihre Frage zu beantworten.

Kontaktinformationen:
E-Mail: info@alex.es
Telefon: (+34) 974 035 345
Öffnungszeiten:
Montag bis Freitag: 8-14h / 15-18h
Samstag und Sonntag: Geschlossen
Responsable: Ruedas Alex, S.L.U, siendo la Finalidad: gestionar el contacto entre cualquier interesado y nuestros servicios de atención. La Legitimación: es gracias a tu consentimiento. Destinatarios: no se comunicarán los datos personales a ningún tercero. Podrás efercer Tus Derechos de Acceso, Rectificación, Supresión, Limitación, Oposición y Portabilidad en rgpd@alex.es. Para más información consulte la Política de Privacidad.

Informieren Sie sich über alle Neuheiten, Angebote und Promotionen die wir für Sie vorbereitet haben.