Hersteller seit 1958
Ruedas Alex

SERIE HLB-HG 2-1959

Siehe Vergleich
Code: 2-1959

Rollen mit Stahlkern und Reifen aus schwarzem natürlichen Gummi. Sie sind besonders für schwere Ladungen geeignet und tragen bis zu 850 kg.

Eingesetzt bei: logistischem Transport, mobilen Sitzreihen, Werkzeugen, Kräne die schweres Material transportieren, Hebebühnen, interne Logistik, Transportkarren.

Besonders geeignet für die Luftfahrt-, Eisenbahn und Automobilbranche.

HG: geeignet für mechanischen Antrieb. Höchster Schutz der Böden. Sanftes und geräuschloses Abrollen (Gabelstapler, Anhänger, usw...). Industriebranche im Allgemeinen.

Bestandteile

Gehäuse

Stahlschweißkonstruktion bis 8 mm. Ausführung, schwarz lackiert. Lenkrollen-Gehäuse mit Kugellagerung und Kegelrollenlager im Drehkranz, der obere mit in gehärteten Präzisionsführungen laufenden Stahlkugeln. Die eine lange Haltbarkeit gewährleisten und der untere mit Kegelrollenlager ermöglicht Dreh-, Radial- und Axialkräfte. Schmiervorrichtung am Drehkranz und Rad. Hergestellt gemäß EN 12532/12533.

Rad

Stahl-Radkörper und Gummi-Laufbelag, mit Langzeitfett geschmiert
Temperaturbereich: -20º ÷ +60º
Rollwiderstand Angemessen
Lärm während des Marsches Hervorragender
Bodenschonend Hervorragender

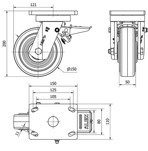
Technische Daten 2-1959

EAN:
8422202219592
Ausführung:
Lenkrollen
Befestigungsarten:
Platte
Bremsentyp:
Totalfeststeller
Laufbelag:
Gummi
Niedrige Temperaturen (ºC):
-20
Maximaltemperaturen (ºC):
60
Lagerarten:
Kugellager
Durchmesser (mm):
150
Radbreite (mm):
50
Plattenabmessungen (mm):
150x110
Schraublochentfernung (mm):
105x80
Schraublochdurchmesser (mm):
10
Störkreisradius (mm):
121
Gesamthöhe (mm):
200
Tragfähigkeit:
400
Einheit Gewicht des Rades (kg):
6,1
Volumen (cm3):
5038
Technische Daten 2-1959

Privater Bereich

Regístrate
Download in Format 3D
Download in Format 2D
DWG
PDF downloaden
PDF
Preis
--

Ähnliche Produkte

Kontakt

Kontaktieren Sie uns

Schicken Sie uns das folgende Formular und wir werden Sie kontaktieren, um Ihre Frage zu beantworten.

Kontaktinformationen:
E-Mail: info@alex.es
Telefon: (+34) 974 035 345
Öffnungszeiten:
Montag bis Freitag: 8-14h / 15-18h
Samstag und Sonntag: Geschlossen
Responsable: Ruedas Alex, S.L.U, siendo la Finalidad: gestionar el contacto entre cualquier interesado y nuestros servicios de atención. La Legitimación: es gracias a tu consentimiento. Destinatarios: no se comunicarán los datos personales a ningún tercero. Podrás efercer Tus Derechos de Acceso, Rectificación, Supresión, Limitación, Oposición y Portabilidad en rgpd@alex.es. Para más información consulte la Política de Privacidad.

Informieren Sie sich über alle Neuheiten, Angebote und Promotionen die wir für Sie vorbereitet haben.