Hersteller seit 1958
Ruedas Alex

SERIE HLB-HU 2-5208

Siehe Vergleich
Code: 2-5208

Rollen mit Stahlkern und Reifen aus geschmolzenem Polyurethan mit einer Härte von 95º shore A. Besonders geeignet für schwere Ladungen bis zu 1.900 kg.

Angewendet bei Utensilien des logistischen Transports, Aussenbereichen, interne Logistik, mobile Sitzreihen, Hebebühnen, Transportkarren, Transport von Missionsmaterial, Schwermaschinen der Bauindustrie, mobile Kräne. Besonders geeignet für die Luftfahrt-, Eisenbahn- und Automobilbranche.

HU: grosse Stossdämpfung. Gut bei schlechten Bodenbedingungen. Rauhe, gebrochene Böden mit Metallspäne, Ölflecken, Glassplitter, Fette, Kies.

Bestandteile

Gehäuse

Stahlschweißkonstruktion bis 8 mm. Ausführung, schwarz lackiert. Lenkrollen-Gehäuse mit Kugellagerung und Kegelrollenlager im Drehkranz, der obere mit in gehärteten Präzisionsführungen laufenden Stahlkugeln. Die eine lange Haltbarkeit gewährleisten und der untere mit Kegelrollenlager ermöglicht Dreh-, Radial- und Axialkräfte. Schmiervorrichtung am Drehkranz und Rad. Hergestellt gemäß EN 12532/12533.

Rad

Rollwiderstand Sehr Gut
Lärm während des Marsches Gut
Bodenschonend Sehr Gut

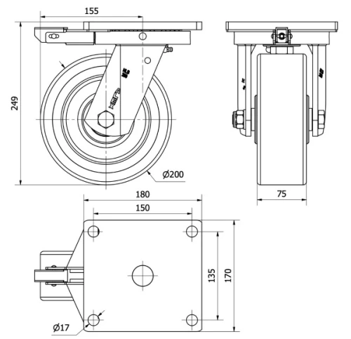
Technische Daten 2-5208

EAN:
8422202252087
Ausführung:
Lenkrollen
Befestigungsarten:
Platte
Bremsentyp:
Richtungsfeststeller
Laufbelag:
Polyurethan
Härte der lauffläche:
95º SHORE A
Lagerarten:
Kugellager
Farbe:
Orange
Durchmesser (mm):
200
Radbreite (mm):
75
Plattenabmessungen (mm):
180x170
Schraublochentfernung (mm):
150x135
Schraublochdurchmesser (mm):
17
Störkreisradius (mm):
155
Gesamthöhe (mm):
249
Tragfähigkeit:
1400
:
A
Technische Daten 2-5208

Privater Bereich

Regístrate
Download in Format 3D
Download in Format 2D
DWG
PDF downloaden
PDF
Preis
--

Ähnliche Produkte

Kontakt

Kontaktieren Sie uns

Schicken Sie uns das folgende Formular und wir werden Sie kontaktieren, um Ihre Frage zu beantworten.

Kontaktinformationen:
E-Mail: info@alex.es
Telefon: (+34) 974 035 345
Öffnungszeiten:
Montag bis Freitag: 8-14h / 15-18h
Samstag und Sonntag: Geschlossen
Responsable: Ruedas Alex, S.L.U, siendo la Finalidad: gestionar el contacto entre cualquier interesado y nuestros servicios de atención. La Legitimación: es gracias a tu consentimiento. Destinatarios: no se comunicarán los datos personales a ningún tercero. Podrás efercer Tus Derechos de Acceso, Rectificación, Supresión, Limitación, Oposición y Portabilidad en rgpd@alex.es. Para más información consulte la Política de Privacidad.

Informieren Sie sich über alle Neuheiten, Angebote und Promotionen die wir für Sie vorbereitet haben.