Hersteller seit 1958
Ruedas Alex

SERIE HLB-HUAB 2-3539

Siehe Vergleich
Code: 2-3539

Rollen mit Stahlkern und Reifen aus geschmolzenem Polyurethan mit einer Härte von 95º shore A. Besonders für schwere Ladungen bis zu 800 kg geeignet.

Eingesetzt bei Utensilien des logistischen Transports, Aussenflächen, interne Logistik, mobile Sitzreihen, Hebebühnen, Transportkarren, Transport von Missionsmaterial, Schwermaschinerie der Baubranche, mobile Kräne, Sporthallen. Besonders geeignet für die Luftfahrt-, Eisenbahn- und Automobilbranche.

HUAB: maximale Manövrierfähigkeit. Grosse Stossdämpfung. Für unebene Böden geeignet. Rauhe, gebrochene Böden, mit Metallspäne, Ölflecken, Glassplitter, Öle, Kies.

Bestandteile

Gehäuse

Stahlschweißkonstruktion bis 8 mm. Ausführung, schwarz lackiert. Lenkrollen-Gehäuse mit Kugellagerung und Kegelrollenlager im Drehkranz, der obere mit in gehärteten Präzisionsführungen laufenden Stahlkugeln. Die eine lange Haltbarkeit gewährleisten und der untere mit Kegelrollenlager ermöglicht Dreh-, Radial- und Axialkräfte. Schmiervorrichtung am Drehkranz und Rad. Hergestellt gemäß EN 12532/12533.

Rad

Gegossenes Polyurethan und Stahlradkörper
Temperaturbereich: -20º ÷ +60º
Rollwiderstand Hervorragender
Lärm während des Marsches Gut
Bodenschonend Gut

Technische Daten 2-3539

EAN:
8422202235394
Ausführung:
Lenkrollen
Befestigungsarten:
Platte
Bremsentyp:
Totalfeststeller
Laufbelag:
Polyurethan
Härte der lauffläche:
95º SHORE A
Lagerarten:
Kugellager
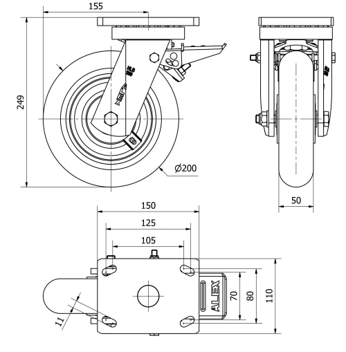
Durchmesser (mm):
200
Radbreite (mm):
50
Plattenabmessungen (mm):
150x110
Schraublochentfernung (mm):
105x80
Schraublochdurchmesser (mm):
10
Störkreisradius (mm):
155
Gesamthöhe (mm):
249
Tragfähigkeit:
800
Einheit Gewicht des Rades (kg):
8,3
Volumen (cm3):
7204
Technische Daten 2-3539

Privater Bereich

Regístrate
Download in Format 3D
Download in Format 2D
DWG
PDF downloaden
PDF
Preis
--

Ähnliche Produkte

Kontakt

Kontaktieren Sie uns

Schicken Sie uns das folgende Formular und wir werden Sie kontaktieren, um Ihre Frage zu beantworten.

Kontaktinformationen:
E-Mail: info@alex.es
Telefon: (+34) 974 035 345
Öffnungszeiten:
Montag bis Freitag: 8-14h / 15-18h
Samstag und Sonntag: Geschlossen
Responsable: Ruedas Alex, S.L.U, siendo la Finalidad: gestionar el contacto entre cualquier interesado y nuestros servicios de atención. La Legitimación: es gracias a tu consentimiento. Destinatarios: no se comunicarán los datos personales a ningún tercero. Podrás efercer Tus Derechos de Acceso, Rectificación, Supresión, Limitación, Oposición y Portabilidad en rgpd@alex.es. Para más información consulte la Política de Privacidad.

Informieren Sie sich über alle Neuheiten, Angebote und Promotionen die wir für Sie vorbereitet haben.