Hersteller seit 1958
Ruedas Alex

SERIE HLB-NF 2-4421

Siehe Vergleich
Code: 2-4421

Extra-Schwerlastrollen aus verstärktem Gusspolyamid, sehr Widerstandsfähig gegen aggressive Medien und Verschleiß und Abrieb. Speziell entwickelt, um Lasten bis zu 2.750 kg zu tragen..

Sehr empfehlenswert für Karosseriewerke, interne Logistik, Transportgeräte, schwere Maschinen, tragbare Kräne, Sporthallen, Kehrmaschinen, Poliermaschinen.

NF: Rad mit hoher Tragfähigkeit. Hohe Schlag- und Stoßfestigkeit. Extra schwer. Wenig Reibung mit dem Boden. Um eine Überhitzung zu vermeiden, werden kurze Arbeitszeiten empfohlen.

Bestandteile

Gehäuse

Stahlschweißkonstruktion bis 8 mm. Ausführung, schwarz lackiert. Lenkrollen-Gehäuse mit Kugellagerung und Kegelrollenlager im Drehkranz, der obere mit in gehärteten Präzisionsführungen laufenden Stahlkugeln. Die eine lange Haltbarkeit gewährleisten und der untere mit Kegelrollenlager ermöglicht Dreh-, Radial- und Axialkräfte. Schmiervorrichtung am Drehkranz und Rad. Hergestellt gemäß EN 12532/12533.

Technische Daten 2-4421

EAN:
8422202244211
Ausführung:
Lenkrollen
Befestigungsarten:
Platte
Bremsentyp:
Ohne Bremse
Laufbelag:
Polyamid 6
Niedrige Temperaturen (ºC):
-30
Maximaltemperaturen (ºC):
80
Härte der lauffläche:
80º SHORE A
Lagerarten:
Kugellager
Farbe:
Weiße
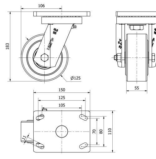
Durchmesser (mm):
125
Radbreite (mm):
55
Plattenabmessungen (mm):
150x110
Schraublochentfernung (mm):
105x80
Schraublochdurchmesser (mm):
10
Störkreisradius (mm):
106
Gesamthöhe (mm):
183
Tragfähigkeit:
1350
Einheit Gewicht des Rades (kg):
4,695
Volumen (cm3):
3644
Technische Daten 2-4421

Privater Bereich

Regístrate
Download in Format 3D
Download in Format 2D
DWG
PDF downloaden
PDF
Preis
--

Ähnliche Produkte

Kontakt

Kontaktieren Sie uns

Schicken Sie uns das folgende Formular und wir werden Sie kontaktieren, um Ihre Frage zu beantworten.

Kontaktinformationen:
E-Mail: info@alex.es
Telefon: (+34) 974 035 345
Öffnungszeiten:
Montag bis Freitag: 8-14h / 15-18h
Samstag und Sonntag: Geschlossen
Responsable: Ruedas Alex, S.L.U, siendo la Finalidad: gestionar el contacto entre cualquier interesado y nuestros servicios de atención. La Legitimación: es gracias a tu consentimiento. Destinatarios: no se comunicarán los datos personales a ningún tercero. Podrás efercer Tus Derechos de Acceso, Rectificación, Supresión, Limitación, Oposición y Portabilidad en rgpd@alex.es. Para más información consulte la Política de Privacidad.

Informieren Sie sich über alle Neuheiten, Angebote und Promotionen die wir für Sie vorbereitet haben.