Hersteller seit 1958
Ruedas Alex

SERIE HLB-PO 2-0496

Siehe Vergleich
Code: 2-0496

Rollen mit weissem Nylonkern und Reifen aus rotem Polyurethan mit einer Härte von 90-95º shore A. Mechansicher Antrieb. Besonders geeignet für schwere Ladungen bis zu 600 kg.

Eingesetzt bei Werkzeugen des logistischen Transports, Aussenbereichen, interne Logistik, Karrosseriebauern, mobilen Sitzreihen, Hebebühnen, Logistik von Missionsmaterial, Schwermaschinen, mobile Kräne, Gabelstapler, Heizkessel, Kehrmaschinen, Poliermaschinen, Metall- und Chemieindustrie, öffentliche Versorgungsunternehmen.

Besonders geeignet für die Luftfahrt-, Eisenbahn- und Automobilbranche.

PO: elastischer und geräuschloser Lauf. Die Räder bieten einen sehr grossen Schutz der Böden. Sehr verschleissresistent.

Bestandteile

Gehäuse

Stahlschweißkonstruktion bis 8 mm. Ausführung, schwarz lackiert. Lenkrollen-Gehäuse mit Kugellagerung und Kegelrollenlager im Drehkranz, der obere mit in gehärteten Präzisionsführungen laufenden Stahlkugeln. Die eine lange Haltbarkeit gewährleisten und der untere mit Kegelrollenlager ermöglicht Dreh-, Radial- und Axialkräfte. Schmiervorrichtung am Drehkranz und Rad. Hergestellt gemäß EN 12532/12533.

Rad

Weißer Polyamid-Radkörper und Laufbelag aus rotem Polyurethan.95º Shore A
Temperaturbereich: -25º ÷ +80º
Rollwiderstand Sehr Gut
Lärm während des Marsches Sehr Gut
Bodenschonend Sehr Gut

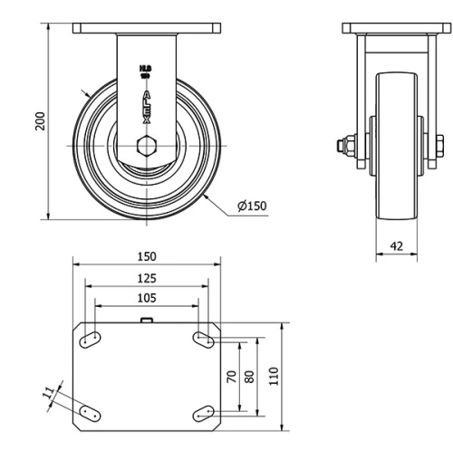
Technische Daten 2-0496

EAN:
8422202204963
Ausführung:
Bockrollen
Befestigungsarten:
Platte
Bremsentyp:
Ohne Bremse
Laufbelag:
Polyurethan
Niedrige Temperaturen (ºC):
-25
Maximaltemperaturen (ºC):
80
Lagerarten:
Kugellager
Durchmesser (mm):
150
Radbreite (mm):
42
Plattenabmessungen (mm):
150x110
Schraublochentfernung (mm):
105x80
Schraublochdurchmesser (mm):
10
Gesamthöhe (mm):
200
Tragfähigkeit:
450
Einheit Gewicht des Rades (kg):
2,98
Volumen (cm3):
3300
Technische Daten 2-0496

Privater Bereich

Regístrate
Download in Format 3D
Download in Format 2D
DWG
PDF downloaden
PDF
Preis
--

Ähnliche Produkte

Kontakt

Kontaktieren Sie uns

Schicken Sie uns das folgende Formular und wir werden Sie kontaktieren, um Ihre Frage zu beantworten.

Kontaktinformationen:
E-Mail: info@alex.es
Telefon: (+34) 974 035 345
Öffnungszeiten:
Montag bis Freitag: 8-14h / 15-18h
Samstag und Sonntag: Geschlossen
Responsable: Ruedas Alex, S.L.U, siendo la Finalidad: gestionar el contacto entre cualquier interesado y nuestros servicios de atención. La Legitimación: es gracias a tu consentimiento. Destinatarios: no se comunicarán los datos personales a ningún tercero. Podrás efercer Tus Derechos de Acceso, Rectificación, Supresión, Limitación, Oposición y Portabilidad en rgpd@alex.es. Para más información consulte la Política de Privacidad.

Informieren Sie sich über alle Neuheiten, Angebote und Promotionen die wir für Sie vorbereitet haben.