Hersteller seit 1958
Ruedas Alex

SERIE HLB-TA 2-0527

Siehe Vergleich
Code: 2-0527

Rollen aus Stahl, geeignet für schwere Ladungen bis zu 1.350 kg.

Eingesetzt bei Utensilien des logistischen Transports, Öfen die hohe Temperaturen aushalten (-40º bis + 300º), Schwermaschinerie der Baubranche.

Besonders geeignet für die Eisenbahn- und Automobilindustrie.

TA: geeignet für Arbeit unter schweren Bedingungen, welche andere Art von Rädern zerstören würden, wie z. Bsp. schneidende Objekte, chemische Produkte, aussergewöhnliche Temperaturen.

Bestandteile

Gehäuse

Stahlschweißkonstruktion bis 8 mm.Ausführung, schwarz lackiert.Lenkrollen-Gehäuse mit Kugellagerung und Kegelrollenlager im Drehkranz, der obere mit in gehärteten Präzisionsführungen laufenden Stahlkugeln.Die eine lange Haltbarkeit gewährleistenund der untere mit Kegelrollenlager ermöglicht Dreh-, Radial- und Axialkräfte.Schmiervorrichtung am Drehkranz und Rad.Hergestellt gemäß EN 12532/12533.

Rad

Vollstahlrad
Temperaturbereich: -40º ÷ +300º
Rollwiderstand Hervorragender
Lärm während des Marsches Ausreichend
Bodenschonend Ausreichend

Technische Daten 2-0527

EAN:
8422202205274
Ausführung:
Bockrollen
Befestigungsarten:
Platte
Bremsentyp:
Ohne Bremse
Laufbelag:
Stahlrad
Niedrige Temperaturen (ºC):
-90
Maximaltemperaturen (ºC):
600
Lagerarten:
Kugellager
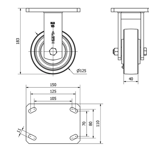
Durchmesser (mm):
125
Radbreite (mm):
40
Plattenabmessungen (mm):
150x110
Schraublochentfernung (mm):
105x80
Schraublochdurchmesser (mm):
10
Gesamthöhe (mm):
183
Tragfähigkeit:
630
Einheit Gewicht des Rades (kg):
4,5
Volumen (cm3):
3020
Technische Daten 2-0527

Privater Bereich

Regístrate
Download in Format 3D
Download in Format 2D
DWG
PDF downloaden
PDF
Preis
--

Ähnliche Produkte

Kontakt

Kontaktieren Sie uns

Schicken Sie uns das folgende Formular und wir werden Sie kontaktieren, um Ihre Frage zu beantworten.

Kontaktinformationen:
E-Mail: info@alex.es
Telefon: (+34) 974 035 345
Öffnungszeiten:
Montag bis Freitag: 8-14h / 15-18h
Samstag und Sonntag: Geschlossen
Responsable: Ruedas Alex, S.L.U, siendo la Finalidad: gestionar el contacto entre cualquier interesado y nuestros servicios de atención. La Legitimación: es gracias a tu consentimiento. Destinatarios: no se comunicarán los datos personales a ningún tercero. Podrás efercer Tus Derechos de Acceso, Rectificación, Supresión, Limitación, Oposición y Portabilidad en rgpd@alex.es. Para más información consulte la Política de Privacidad.

Informieren Sie sich über alle Neuheiten, Angebote und Promotionen die wir für Sie vorbereitet haben.